Torna indietro   BaroneRosso.it - Forum Modellismo > Elettronica > Circuiti Elettronici


 
 
Strumenti discussione Visualizzazione
Prev Messaggio precedente   Prossimo messaggio Next
Vecchio 18 aprile 10, 00:27   #1 (permalink)  Top
User
 
Data registr.: 24-03-2010
Residenza: Palermo
Messaggi: 6
Dubbi sugli amplificatori operazionali

Salve,
avrei qualche dubbio sugli amplificatori operazionali...

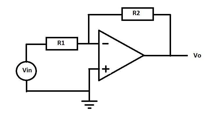
Quesito 1:



Supponendo l'ampl. operaz. ideale il morsetto + avrà potenziale uguale del morsetto - quindi 0 volt.
La corrente che scorre sarà I=Vin/R1 che poi è quella che scorre su R2 allora Vo=-(Vin/R1)*R2=-Vin*(R1/R2)
Corretto??

Se adesso inverto il morsetto invertente con quello non invertente ovvero



applicando lo stesso ragionamento il risultato dovrebbe essere identico...
Quindi mi domando, è indifferente usare l'ingresso invertente o non invertente?? mah....

Quesito 2:

Configurazione buffer



Ad occhio e croce dovrebbe funzionare e in uscita dovrei ritrovare la tensione di ingresso... corretto?
Domanda che si rifà al quesito 1: ma se io scambio morsetti invertente e non invertente il buffer funziona in maniera identica? mah2...

Quesito 3:

Dov'e' che sbaglio???




Non funziona come buffer... ovvero se Vin è o zero o Vcc in uscita ho sempre una tensione prossima a Vcc... come mai???

L'operazionale è il TL061CN e da datasheet i morsetti sono:
2 - Inverting input
3 - Non-inverting input
4 - Vcc-
6 - Output
7 - Vcc+

Thanks
Icone allegate
Clicca sull'immagine per ingrandirla

Nome:  Immagine.jpg‎
Visite: 5632
Dimensione:  14,6 KB   Clicca sull'immagine per ingrandirla

Nome:  Immagine2.jpg‎
Visite: 8018
Dimensione:  14,5 KB   Clicca sull'immagine per ingrandirla

Nome:  Immagine3.jpg‎
Visite: 4186
Dimensione:  11,9 KB   Clicca sull'immagine per ingrandirla

Nome:  buffer.jpg‎
Visite: 4379
Dimensione:  88,5 KB  
gippo80 non è collegato   Rispondi citando
 

Bookmarks




Regole di scrittura
Non puoi creare nuove discussioni
Non puoi rispondere alle discussioni
Non puoi inserire allegati
Non puoi modificare i tuoi messaggi

BB code è Attivato
Le faccine sono Attivato
Il codice [IMG] è Attivato
Il codice HTML è Disattivato
Trackbacks è Disattivato
Pingbacks è Disattivato
Refbacks è Disattivato


Discussioni simili
Discussione Autore discussione Forum Commenti Ultimo Commento
Riviste sugli elicotteri RC Horus1969 Elimodellismo in Generale 5 23 aprile 08 10:35
toroidi, filtri, amplificatori.... dadoelella Aeromodellismo Principianti 26 13 febbraio 07 10:02
Sempre sugli alimentatori. favonio Batterie e Caricabatterie 1 21 marzo 06 00:59
Riflessione sugli avvolgimenti claudio476 Aeromodellismo Volo Elett. - Realizzazione Motori 1 13 gennaio 05 16:06



Tutti gli orari sono GMT +2. Adesso sono le 13:25.


Basato su: vBulletin versione 3.8.11
Copyright ©2000 - 2025, Jelsoft Enterprises Ltd.
E' vietata la riproduzione, anche solo in parte, di contenuti e grafica. Copyright 1998/2019 - K-Bits P.I. 09395831002