Lipo Balancer

Di Gnugo
Pubblicato il 03 December 2006 in: Modellismo Articoli
TAG:Schemi elettrici, Strumentazione
     Condividi su Whatsapp
Un semplice circuito per realizzare un valido bilanciatore di celle al litio.
lipo-balancer - Pagina 2 lipo-balancer - Pagina 2
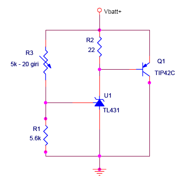
Versione 1.1 - Maggio 99

 Componenti:

Resistenze
R1    5,6K ohm (5% 1/4watt)
R2    22 ohm (5% 1/4watt)
R3    5k ohm (trimmer 20 giri)

Integrati
U1    TL431
Q1    TIP42C

Si tratta di un regolatore shunt basato sul riferimento di tensione TL431.
Lo schema mostrato è relativo ad una singola cella lipo; ho preferito impiegare un trimmer da 20 giri per la comodità che offre per il settaggio della tensione da monitorare.
E' chiaro che per ad es. un pacco lipo da 3 celle, basta mettere in serie 3 di questi circuitini, ognuno connesso ad una cella tramite l'ormai sempre presente cavo per il bilanciamento.
Il transistor TIP42C è presente per permettere al circuito di gestire anche correnti rilevanti, dato che il solo TL431 può al max. tollerare 100mA.
In pratica il funzionamento è il seguente:
quando una cella è in fase di ricarica, con tensione minore di 4.2V, il circuito è del tutto trasparente, come se non fosse connesso. Durante questo fase la corrente di carica è costante e gestita dal carica-batterie, connesso nei 2 cavi principali del pacco lipo.
Appena la tensione di una cella raggiunge i 4,2V, interviene il nostro circuito, il quale fa da "clamp di tensione", ovvero impedisce che la tensione nella cella possa salire oltre.
Per fare ciò comincia a sottrarre parte della corrente di carica alla cella e quindi da questo istante in poi la corrente nella cella decresce esponenzialmente, mentre la somma di tale corrente con quella assorbita dal circuito è costante e imposta dal carica-batterie.
Questo può accadere quando si è di fronte ad un pacco (di almeno 2 celle) sbilanciato, ovvero con tensioni abbastanza diverse tra le varie celle.

lipo-balancer - Pagina 2 lipo-balancer - Pagina 2



     Condividi su Whatsapp
la Discussione è un pò vecchiotta ma non ho trovato altro, questo circuito potrebbe andare bene, correttamente regolato, per delle batterie Life, la batteria che ho è una life ad 8 celle da 22A, esattamente sono 2 di queste:
LTE 12,8V 22Ah
ciao ciao
Commento postato da Marco-64. il 14 July 2013 alle 14:50
Ho realizzato il circuito in oggetto,

non sò se ho fatto qualche errore, come ho tempo ricontrollo,

perchè il funzionamento non è a soglia definita, ma un pò troppo poco ripida visto la tolleranza di 50mV delle Li-Ion

Ci vorrebbe un comportamento a gradino netto ON/OFF sotto 4,2 OFF sopra ON

vi risulta?
Commento postato da The Red Baron il 20 February 2012 alle 17:42
ciao a tutti sono nuovo quindi perdonatemi se dico qualcosa di sbagliato.. secondo me ha un difetto: non dice quando la batteria è pronta!!! quindi? è mica possibile metterci una lucina che segnali qualcosa? ho trovato uno schema in internet ( che ovviamente il mio pc non allega sennò sarebbe troppo facile..)ma secondo me è incompleto... tipo mancano i valori delle resistenze.. continuerò a provare a mandarvelo... boh helllllllp ciao e grazie
Commento postato da kandito il 20 March 2007 alle 23:01
Ha detto kandito
:P il problema è che ho provato a misurare con il tester la tensione sul cavo x bilanciare che esce dalla bateria e mi da il voltaggio in progressione... provo a spiegarmi meglio.. nel cavo bilanciatore teoricamente (parlando di una 3 celle) esce un filo nero che è la massa e 3 fili colorati che dovrebbero essere il positivo di ogni cella sigola. Quindi ho fatto alcune prove col tester.. ho messo il la massa del tester con la massa del cavetto e con il positivo mi spostavo di "filo a filo". Come prima misura ho letto il voltaggio di una cella, come secondo quello di 2 celle e come terzo il voltaggio di 3 celle... Ora sto provando a costruire il lipo balancer trovato sotto la sezione schemi elettrici in questo sito ma non so come fare il collegamento tra i vari circuiti e lo spinotto bilanciatore... help me please


Leggi queste risposte.
http://www.baronerosso.it/forum/showthread.php?t=46012


Naraj.
Commento postato da Naraj il 13 February 2007 alle 17:31
:P il problema è che ho provato a misurare con il tester la tensione sul cavo x bilanciare che esce dalla bateria e mi da il voltaggio in progressione... provo a spiegarmi meglio.. nel cavo bilanciatore teoricamente (parlando di una 3 celle) esce un filo nero che è la massa e 3 fili colorati che dovrebbero essere il positivo di ogni cella sigola. Quindi ho fatto alcune prove col tester.. ho messo il la massa del tester con la massa del cavetto e con il positivo mi spostavo di "filo a filo". Come prima misura ho letto il voltaggio di una cella, come secondo quello di 2 celle e come terzo il voltaggio di 3 celle... Ora sto provando a costruire il lipo balancer trovato sotto la sezione schemi elettrici in questo sito ma non so come fare il collegamento tra i vari circuiti e lo spinotto bilanciatore... help me please
Commento postato da kandito il 13 February 2007 alle 13:25

Mappa del sito

Dal 1998 BaroneRosso.it costituisce una delle più grandi community di modellismo in Italia soprattutto grazie al contributo di tanti appassionati che anno dopo anno hanno saputo arrichire questa straordinaria risorsa collettiva. Eccovi una semplice mappa delle risorse a vostra disposizone.