Torna indietro   BaroneRosso.it - Forum Modellismo > Elettronica > Circuiti Elettronici


Rispondi
 
Strumenti discussione Visualizzazione
Vecchio 07 dicembre 10, 22:17   #1 (permalink)  Top
User
 
L'avatar di lol21
 
Data registr.: 16-11-2008
Residenza: Riva del Garda - TN
Messaggi: 429
EagleCAD, una piccola spiegazione

volevo chiedere una spiegazione per eagle, in pratica ho necessità di "scomporre" lo scema in più parti, in pratica per non tirare collegamenti illeggibili. ho visto che è possibile nominando i fili. ma ho notato che se poi passo al PCB non noto i collegamenti che ci sono tra i pin con stesso nome

potreste darmi un consiglio?

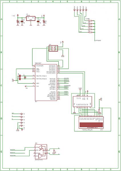
allego schema e PCB (sbrogliata al 100%) per farvi capire (scusate se non ripetto tutte le convenzioni ma non sono elettronico di professione e il continuo utilizzo di microcontrollori di fascia bassa lo dimostra )

scusate la bassa qualità dello schema ma è ottimizzato per A4 e con una risoluzione massima di 800x600 nel forum capite i DPI

grazie a tutti
lol21
Immagini allegate
Tipo file: jpg board.jpg‎ (73,5 KB, 127 visite)
Tipo file: jpg schema.jpg‎ (33,6 KB, 131 visite)
lol21 non è collegato   Rispondi citando
Vecchio 09 dicembre 10, 17:29   #2 (permalink)  Top
User
 
Data registr.: 28-05-2005
Residenza: Roma
Messaggi: 660
Visto che non ti ha risposto nessuno mi avventuro io: innanzi tutto piccolo appunto, le immagini sono minuscole e non si riescono a leggere i nomi che dai a collegamenti, cosa che dato l'argomento della domanda mi pare più importante dello schema nel complesso.

Comunque faccio alcune supposizioni, anche io ho fatto quel genere di schemi e ti posso dire, che, almeno con Eagle per fare collegamenti referenziati devi usare, per ogni pin che vuoi collegare, l'oggetto (mi pare) "label", quindi da ogni pin traccia qualche centimetro di "wire" e poi alla fine del wire ci attacchi una label, scegli il nome da dare alla tua label (fai attenzione a maiuscole e minuscole, per le etichette contano!!) poi prendi il secondo punto dove vuoi collegare quello stesso link, tracci nuovamente due centimetri di "wire" e via una nuova label, a cui, logicamente, assegnerai il medesimo nome della prima.

Ti consiglio di tracciare sempre almeno una paio di centimetri di wire, perchè se piazzassi una label direttamente sul pin dell'integrato potrebbe non funzionare il collegamento.

Un ultimo appunto, i collegamenti che hai fatto, almeno nello schema che hai postato, non sono di certo cosi tanti da farli fare all'autoroute, quindi fai lo sbroglio a mano, fidati che verrà un lavoro molto migliore.
SoldatoSemplice non è collegato   Rispondi citando
Vecchio 10 dicembre 10, 13:57   #3 (permalink)  Top
User
 
L'avatar di lol21
 
Data registr.: 16-11-2008
Residenza: Riva del Garda - TN
Messaggi: 429
Citazione:
Originalmente inviato da SoldatoSemplice Visualizza messaggio
Visto che non ti ha risposto nessuno mi avventuro io: innanzi tutto piccolo appunto, le immagini sono minuscole e non si riescono a leggere i nomi che dai a collegamenti, cosa che dato l'argomento della domanda mi pare più importante dello schema nel complesso.

Comunque faccio alcune supposizioni, anche io ho fatto quel genere di schemi e ti posso dire, che, almeno con Eagle per fare collegamenti referenziati devi usare, per ogni pin che vuoi collegare, l'oggetto (mi pare) "label", quindi da ogni pin traccia qualche centimetro di "wire" e poi alla fine del wire ci attacchi una label, scegli il nome da dare alla tua label (fai attenzione a maiuscole e minuscole, per le etichette contano!!) poi prendi il secondo punto dove vuoi collegare quello stesso link, tracci nuovamente due centimetri di "wire" e via una nuova label, a cui, logicamente, assegnerai il medesimo nome della prima.

Ti consiglio di tracciare sempre almeno una paio di centimetri di wire, perchè se piazzassi una label direttamente sul pin dell'integrato potrebbe non funzionare il collegamento.

Un ultimo appunto, i collegamenti che hai fatto, almeno nello schema che hai postato, non sono di certo cosi tanti da farli fare all'autoroute, quindi fai lo sbroglio a mano, fidati che verrà un lavoro molto migliore.
sisi l'avevo giusto lasciato andare da solo per vedere come veniva, scusa per le immagini ma sto ancora cercando di imparare il programma
in pratica ho fatto come hai detto ma comunque non sembra funzionare, può essere una limitazione del programma free?
grazie

ciao
lol21
lol21 non è collegato   Rispondi citando
Rispondi

Bookmarks




Regole di scrittura
Non puoi creare nuove discussioni
Non puoi rispondere alle discussioni
Non puoi inserire allegati
Non puoi modificare i tuoi messaggi

BB code è Attivato
Le faccine sono Attivato
Il codice [IMG] è Attivato
Il codice HTML è Disattivato
Trackbacks è Disattivato
Pingbacks è Disattivato
Refbacks è Disattivato


Discussioni simili
Discussione Autore discussione Forum Commenti Ultimo Messaggio
Spiegazione altiuss Segnalazione Bug e consigli 3 01 luglio 07 18:24
Spiegazione!! the_dreamer Automodellismo Mot. Scoppio On-Road 43 02 aprile 07 15:20
spiegazione racerman Radiocomandi 5 28 febbraio 07 02:01



Tutti gli orari sono GMT +2. Adesso sono le 23:55.


Basato su: vBulletin versione 3.8.11
Copyright ©2000 - 2026, Jelsoft Enterprises Ltd.
E' vietata la riproduzione, anche solo in parte, di contenuti e grafica. Copyright 1998/2026