Torna indietro   BaroneRosso.it - Forum Modellismo > Elettronica > Batterie e Caricabatterie


Rispondi
 
Strumenti discussione Visualizzazione
Vecchio 18 dicembre 16, 13:34   #11 (permalink)  Top
User
 
Data registr.: 15-09-2014
Messaggi: 412
Citazione:
Originalmente inviato da Naraj Visualizza messaggio
Se volete fare esercizio di programmazione, va bene farsi da soli questo strumento.
Ma se vi serve questo strumento, il suo prezzo da Hobby King è inferiore al costo del solo materiale per costruirselo in proprio.
Le molte ore di programmazione che dovrete impiegare per far funzionare uno strumento simile, possono essere impiegate meglio per la costruzione di un nuovo modello.

Naraj.
Link ?

Considera che io ho già Arduino Uno e Mega 2560 fermi a fare nulla, inoltre ho un ACS718 da 30A ( sensore di corrente ) fermo a fare polvere. Ho anche un LCD 128x64 B/N cosi come dei 16x2 blu..

Il mio costo sarebbero i connettori XT60 e bilanciatori...
L4kyITA non è collegato   Rispondi citando
Vecchio 18 dicembre 16, 14:13   #12 (permalink)  Top
User
 
L'avatar di Naraj
 
Data registr.: 25-07-2004
Residenza: Trieste
Messaggi: 5.673
Prova a dare un'occhiata a questi strumenti.

https://hobbyking.com/en_us/turnigy-...-ir-meter.html

https://hobbyking.com/en_us/turnigyt...vo-tester.html

Naraj.
Naraj non è collegato   Rispondi citando
Vecchio 18 dicembre 16, 18:26   #13 (permalink)  Top
User
 
L'avatar di ElNonino
 
Data registr.: 06-05-2007
Residenza: Tre Ville (Preore)
Messaggi: 3.605
Invia un messaggio via MSN a ElNonino
Per pilotare un mosfet da un I/O di un microprocessore basta questo:



se usi un mosfet 'intelligente' puoi anche eliminare R1 ed R2 va bene da 47..68 ohm.

Per misurare bene la resistenza interna di una batteria converrebbe fare due misure a correnti diverse, esempio 1A e 10A, leggere contemporaneamente sia I che V (usando due ADC sincroni) ed al posto di una resistenza di carico impiegare un generatore di corrente costante.

Concordo con Naraj che per misure di massima ma sufficienti per uso amatoriale vanno bene gli strumenti ni che ha consigliato.

__________________
Peace & Love
Fate le cose nel modo più semplice possibile, ma senza semplificare. (A. Einstein)
ElNonino non è collegato   Rispondi citando
Vecchio 18 dicembre 16, 22:12   #14 (permalink)  Top
User
 
Data registr.: 29-09-2014
Residenza: campoformido
Messaggi: 29
Bell' esempio ELNonino per il pilotaggio del mosfet!!!! Però come faresti la parte di lettura delle singole celle? Nel senso che, per leggere una sola è facile però se devi leggere le altre dove la tensione è 8,4 - 12,6 in più le celle sono collegate tra loro?
Spero di essermi spiegato.....
Saluti Pauli
pinolo33 non è collegato   Rispondi citando
Vecchio 18 dicembre 16, 23:00   #15 (permalink)  Top
User
 
Data registr.: 15-09-2014
Messaggi: 412
Citazione:
Originalmente inviato da pinolo33 Visualizza messaggio
Bell' esempio ELNonino per il pilotaggio del mosfet!!!! Però come faresti la parte di lettura delle singole celle? Nel senso che, per leggere una sola è facile però se devi leggere le altre dove la tensione è 8,4 - 12,6 in più le celle sono collegate tra loro?
Spero di essermi spiegato.....
Saluti Pauli
Basta leggere ogni cella singolarmente prendendo come "negativo" la cella precedente ( esclusa la prima cella ovviamente ) in modo da misurare sempre al massimo 4.2v e sfruttare bene l' ADC di arduino evitando eventuali partitori che ridurrebbero la precisione già sacrificata dall' ADC a 10bit di Arduino
L4kyITA non è collegato   Rispondi citando
Vecchio 19 dicembre 16, 14:26   #16 (permalink)  Top
User
 
Data registr.: 29-09-2014
Residenza: campoformido
Messaggi: 29
Il punto critico L4kyITA è proprio che con arduino hai una massa unica...e quindi non puoi prendere come riferimento il "negativo" della cella precendente, a menochè si usi degli operazionali....cè qualcuno che ha gia fatto, oppure ne sa qualcosa?
Saluti Pauli
pinolo33 non è collegato   Rispondi citando
Vecchio 19 dicembre 16, 14:52   #17 (permalink)  Top
User
 
L'avatar di ElNonino
 
Data registr.: 06-05-2007
Residenza: Tre Ville (Preore)
Messaggi: 3.605
Invia un messaggio via MSN a ElNonino
Un partitore resistivo realizzato con resistenze al 0,1% garantisce una precisione più che sufficiente allo scopo.

Con opportune tecniche di sovracampionamento si può aumentare la risoluzione base di 10 bit di Arduino, nulla vieta poi di usare un economico ADC esterno ad elevata risoluzione ed interfacciarlo con il micro tramite I2C o meglio SPI.

Esistono anche microprocessori economici con doppio AD a 12/16bit e relative schede pronte all'uso.

Per realizzare un mini strumento è comunque necessaria un po di conoscenza del HW, non basta saper pigiare tasti per scrivere codice (per di più spesso realizzato da altri sotto forma di librerie pronte all'uso).

Volendo strafare: LT1167 - Single Resistor Gain Programmable, Precision Instrumentation Amplifier - Linear Technology si possono usare questi.

__________________
Peace & Love
Fate le cose nel modo più semplice possibile, ma senza semplificare. (A. Einstein)

Ultima modifica di ElNonino : 19 dicembre 16 alle ore 14:58
ElNonino non è collegato   Rispondi citando
Vecchio 19 dicembre 16, 16:22   #18 (permalink)  Top
User
 
Data registr.: 15-09-2014
Messaggi: 412
Citazione:
Originalmente inviato da pinolo33 Visualizza messaggio
Il punto critico L4kyITA è proprio che con arduino hai una massa unica...e quindi non puoi prendere come riferimento il "negativo" della cella precendente, a menochè si usi degli operazionali....cè qualcuno che ha gia fatto, oppure ne sa qualcosa?
Saluti Pauli
Stupidamente non ci ho pensato

Allora come dice ElNonino conviene fare un partitore con resistenze con bassa tolleranza
L4kyITA non è collegato   Rispondi citando
Vecchio 19 dicembre 16, 22:34   #19 (permalink)  Top
User
 
Data registr.: 29-09-2014
Residenza: campoformido
Messaggi: 29
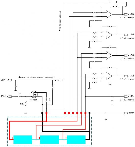
In rete ho trovato questo esempio....però mi piacerebbe trovare e sapere i valori delle
resistenze....
http://www.baronerosso.it/forum/atta...1&d=1482179570

Pauli
Immagini allegate
Tipo file: jpg schema.jpg‎ (37,9 KB, 263 visite)
pinolo33 non è collegato   Rispondi citando
Vecchio 20 dicembre 16, 10:03   #20 (permalink)  Top
User
 
L'avatar di ElNonino
 
Data registr.: 06-05-2007
Residenza: Tre Ville (Preore)
Messaggi: 3.605
Invia un messaggio via MSN a ElNonino
Op-amp Varieties

Le resistenze devono essere a bassissima tolleranza se no gli errori introdotti saranno superiori alla perdita di risoluzione non lineare dei partitori connessi al ADC.

Tenete presente che esistono anche ADC con ingressi VRef+ e VRef- che possono essere usati vantaggiosamente per quest'applicazione.

In ogni caso dovrete prevedere una tabella di calibrazione nel firmware.

__________________
Peace & Love
Fate le cose nel modo più semplice possibile, ma senza semplificare. (A. Einstein)
ElNonino non è collegato   Rispondi citando
Rispondi

Bookmarks



Strumenti discussione
Visualizzazione

Regole di scrittura
Non puoi creare nuove discussioni
Non puoi rispondere alle discussioni
Non puoi inserire allegati
Non puoi modificare i tuoi messaggi

BB code è Attivato
Le faccine sono Attivato
Il codice [IMG] è Attivato
Il codice HTML è Disattivato
Trackbacks è Disattivato
Pingbacks è Disattivato
Refbacks è Disattivato


Discussioni simili
Discussione Autore discussione Forum Commenti Ultimo Commento
Resistenza interna delle LiPo con carico dinamico Paolo Gx Batterie e Caricabatterie 5 24 aprile 14 21:27
Lipo resistenza interna levens Batterie e Caricabatterie 6 07 agosto 13 21:52
Misuara la resistenza interna telix636 Batterie e Caricabatterie 22 07 marzo 10 17:58
resistenza interna batterie antoniog222 Aeromodellismo Volo Elettrico 5 21 agosto 05 23:54
Calcolo Resistenza Interna Hannibal Aeromodellismo Volo Elettrico 15 06 maggio 05 18:44



Tutti gli orari sono GMT +2. Adesso sono le 08:55.


Basato su: vBulletin versione 3.8.11
Copyright ©2000 - 2025, Jelsoft Enterprises Ltd.
E' vietata la riproduzione, anche solo in parte, di contenuti e grafica. Copyright 1998/2019 - K-Bits P.I. 09395831002