![]() | ![]() |
![]() |
|||||||||||
|
|||||||||||
|
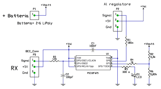
Aggiornamento (21/02/2005) Nuova versione 1.1 eliminata un'incompatibilità riscontrata con i regolatori Scorpio serie S80xx. Il LiPoly Monitor è particolarmente richiesto da chi usa batterie al litio sui microelicotteri, sui modelli F3K e sui modelli Pylon indoor (dove è necessario capire quando si è in riserva senza però togliere potenza al motore, che pregiudicherebbe la gara). Spesso però è richiesto qualcosa di utilizzabile in modelli più grandi che possono allontanarsi parecchio e quindi il Led o il Buzzer diventano inefficaci. Ho quindi sviluppato il LiPoly CutOff, che consente di utilizzare un regolatore per motori elettrici (brushless e tradizionali con carboncini) con le moderne batterie a Ioni di Litio e Polimeri di Litio anche se il regolatore non è predisposto per questo tipo di celle. Nonostante esistano in commercio dispositivi simili, ho comunque deciso di realizzare una mia versione. |
|||||||||||
![]() | ![]() |






