Torna indietro   BaroneRosso.it - Forum Modellismo > Elettronica > Circuiti Elettronici


Rispondi
 
Strumenti discussione Visualizzazione
Vecchio 10 dicembre 09, 12:25   #1 (permalink)  Top
Adv Moderator
 
L'avatar di il_Zott
 
Data registr.: 14-10-2002
Residenza: Roma
Messaggi: 19.841
info crepuscolare

Ave
mi sono trovato per le mani un pannellino solare da 6V 150-200mA ( i mA non li ricordo esattamente..) da ikea poi ho trovato le solite luminarie a led da 3V con assorbimenti praticamente nulli <15-20mA ( 10 led) a questo punto scatta l'idea della luminaria alimantata con 2pile nimh e pannelletto solare.
Logicamente mi piacerebbe che di giorno si spegnessero cosi da dar modo al pannelletto di ricaricare le pile e poi di sera i led si accendono da soli.
Già ho fatto un paio di semplici flip-flop per far lapeggiare i led, risolto anche la ricarica delle pile, mi sto arenando sul crepuscolare
In rete ho trovato questo schemetto:
Hobbytron: progetto di un interruttore crepuscolare ultra semplice



effettivamente è semplicissimo, però vorrei eliminare il relè, se pò fa' ?
L'alimentazione massima che poi potrei avere per il crepuscolare sono 3 nimh, di più non posso perche il pannellino più di 3 celle non può caricare.

ciao e grazie a tutti per l'attenzione

Ultima modifica di il_Zott : 10 dicembre 09 alle ore 12:31
il_Zott non è collegato   Rispondi citando
Vecchio 10 dicembre 09, 13:00   #2 (permalink)  Top
User
 
L'avatar di crisiinvolo
 
Data registr.: 06-12-2007
Residenza: Roma
Messaggi: 3.897
Cerca qualche circuito fatto per le SunJar oppure smonta una delle lanterne da giardino con pannelletto solare.

in allegato ne ho messo uno ma non saprei...
Icone allegate
info crepuscolare-solar_charger_v1.gif  
__________________
Silvio. Se beccamo in volo!
(Non faccio consulenze private, se posso vi aiuto sul forum)

Malato di multirotori dal 27 novembre 2008
crisiinvolo non è collegato   Rispondi citando
Vecchio 10 dicembre 09, 17:16   #3 (permalink)  Top
User
 
L'avatar di Pantalo'
 
Data registr.: 09-11-2006
Residenza: Fermo Termiche Portosangiorgio
Messaggi: 149
Citazione:
Originalmente inviato da il_Zott Visualizza messaggio
Ave


effettivamente è semplicissimo, però vorrei eliminare il relè, se pò fa' ?
L'alimentazione massima che poi potrei avere per il crepuscolare sono 3 nimh, di più non posso perche il pannellino più di 3 celle non può caricare.

ciao e grazie a tutti per l'attenzione
Ciao

certo che puoi eliminare il rele' e al suo posto metti la serie di led stando attento alla corrente disponibile dal BC547.
Se non bastasse sostituiscilo con un darlington

Pantalo'
Pantalo' non è collegato   Rispondi citando
Vecchio 10 dicembre 09, 19:15   #4 (permalink)  Top
Adv Moderator
 
L'avatar di il_Zott
 
Data registr.: 14-10-2002
Residenza: Roma
Messaggi: 19.841
grazie
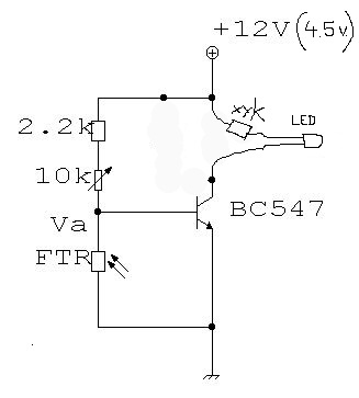
praticamente una cosa del genere:



Alimenentando a 4,5V la resistenza da 2,2k e il trimmino lo posso lasciare cosi o diminusco qualcosa ? o forse monto e poi smanetto...
Devo raccatare la fotoresitenza.

ciaooo
il_Zott non è collegato   Rispondi citando
Vecchio 10 dicembre 09, 19:32   #5 (permalink)  Top
User
 
L'avatar di Pantalo'
 
Data registr.: 09-11-2006
Residenza: Fermo Termiche Portosangiorgio
Messaggi: 149
Citazione:
Originalmente inviato da il_Zott Visualizza messaggio
grazie
praticamente una cosa del genere:



Alimenentando a 4,5V la resistenza da 2,2k e il trimmino lo posso lasciare cosi o diminusco qualcosa ? o forse monto e poi smanetto...
Devo raccatare la fotoresitenza.

ciaooo
Va benissimo cosi' (sicuramente qualche piccarolo farebbe diversamente).
monta il circuitino poi regola il trim, poi se vuoi lo sostituisci con una resistenza fissa.
Per il calcolo di led serie e resistenze gurda questo
LED calculator - calcolo della corrente limite della resistenza per LED array
buon divertimento.

Pantalo'
Pantalo' non è collegato   Rispondi citando
Vecchio 12 dicembre 09, 23:35   #6 (permalink)  Top
Adv Moderator
 
L'avatar di il_Zott
 
Data registr.: 14-10-2002
Residenza: Roma
Messaggi: 19.841
fico e comodo il led calculator

Per la cronaca ho finito il circuitino e funziona una meraviglia

ciaoooooo
il_Zott non è collegato   Rispondi citando
Rispondi

Bookmarks




Regole di scrittura
Non puoi creare nuove discussioni
Non puoi rispondere alle discussioni
Non puoi inserire allegati
Non puoi modificare i tuoi messaggi

BB code è Attivato
Le faccine sono Attivato
Il codice [IMG] è Attivato
Il codice HTML è Disattivato
Trackbacks è Disattivato
Pingbacks è Disattivato
Refbacks è Disattivato


Discussioni simili
Discussione Autore discussione Forum Commenti Ultimo Commento
info sto65 Aeromodellismo 2 14 novembre 09 19:01
Crepuscolare crovax Circuiti Elettronici 1 06 novembre 09 21:25
info maffau Automodellismo Mot. Elettrico On-Road 0 03 maggio 09 12:19
info su 1:8 off @lby s2k Automodellismo Mot. Scoppio On-Road 6 10 agosto 08 15:02
info os emanuelenani Elimodellismo in Generale 4 14 giugno 07 21:34



Tutti gli orari sono GMT +2. Adesso sono le 11:07.


Basato su: vBulletin versione 3.8.11
Copyright ©2000 - 2025, Jelsoft Enterprises Ltd.
E' vietata la riproduzione, anche solo in parte, di contenuti e grafica. Copyright 1998/2019 - K-Bits P.I. 09395831002