BaroneRosso.it - Forum Modellismo

BaroneRosso.it - Forum Modellismo (https://www.baronerosso.it/forum/)
-   Circuiti Elettronici (https://www.baronerosso.it/forum/circuiti-elettronici/)
-   -   luci (https://www.baronerosso.it/forum/circuiti-elettronici/45196-luci.html)

Planet5 30 gennaio 07 16:50

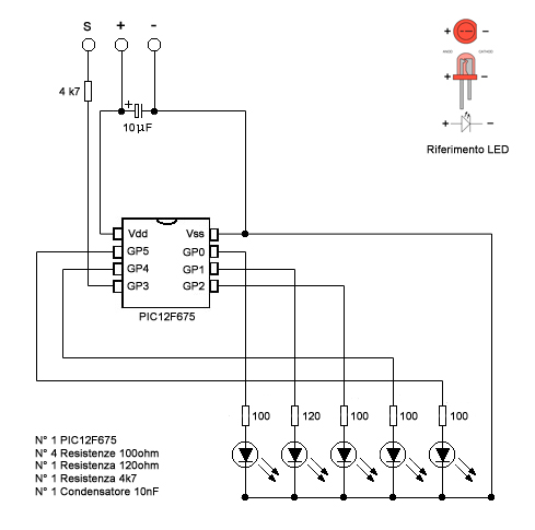
Schema
 
Ecco lo schema trovato:

http://www.baronerosso.it/forum/atta...1&d=1170168385

Saluti

Planet5 30 gennaio 07 20:06

Tensione
 
Ma scusate:

La tensione di Ingresso di questo schema??? quanti volts??

Grazie

Spero qualcuno mi risponda...:(

anfarol 30 gennaio 07 20:36

Citazione:

Originalmente inviato da Planet5
Ma scusate:

La tensione di Ingresso di questo schema??? quanti volts??

Grazie

Spero qualcuno mi risponda...:(

il link non è valido...

Planet5 30 gennaio 07 20:42

quale link...quello riferito allo schema?

http://www.baronerosso.it/forum/atta...1&d=1170168385

anfarol 30 gennaio 07 20:45

Citazione:

Originalmente inviato da Planet5
quale link...quello riferito allo schema?

http://www.baronerosso.it/forum/atta...1&d=1170168385

Si, se clicchi sopra, non funziona....

Planet5 30 gennaio 07 20:57

1 Allegato/i
Ho caricato un'immagine dello schema e mi da questo link che io riesco a vedere:

http://www.baronerosso.it/forum/atta...1&d=1170183347

Ivan2280 30 gennaio 07 21:23

info
 
Max 5 volt,ma è evidente che bisogna collegarlo alla ricevente la quale se alimentata dal b.e.c fornisce max 5v canale.Il pic oltre i 5 volt si brucia.

salvatorebartolomeo 31 gennaio 07 18:28

Domandina...
 
Saluto tutti e anche a te, Cadal, chiedo, per piacere, dove hai trovato le luci stroboscopiche e come hai costruito il faretto di prua. Grazie e ancora complimenti per i dettagli perfetti. Ciao.

nikemen85 01 febbraio 07 21:58

posizione luci
 
Devo mettere le luci su un t-rex.
Ho pensato di mettere il verde e il rosso di lato (come il video di cadal), quello da 10mm sotto la fusoliera, ma non so la posizione dei due bianchi ultraluminosi sulla coda. dove vanno messi? potete postare qualche foto per favore?
grazie

nikemen85 09 febbraio 07 15:57

Vabbè....
 
4 Allegato/i
Finalmente ho finito l'impiantino sul mio T-rex.
Vi posto qualche foto...
E' fortissimo, lo comando con uno switch a tre posizioni:
1 - tutto spento
2 - tutti i led accesi tranne il faretto
3 - tutti accesi

P.S. Un particolare ringraziamento va a Ivan2280 per il supporto tecnico.


Tutti gli orari sono GMT +2. Adesso sono le 19:52.

Basato su: vBulletin versione 3.8.11
Copyright ©2000 - 2026, Jelsoft Enterprises Ltd.
E' vietata la riproduzione, anche solo in parte, di contenuti e grafica. Copyright 1998/2019 - K-Bits P.I. 09395831002