Visualizza messaggio singolo
Vecchio 26 dicembre 07, 13:31   #1 (permalink)  Top
execcr
User
 
L'avatar di execcr
 
Data registr.: 24-09-2007
Residenza: Cremona
Messaggi: 591
Giunto cardanico: cerco equivalente

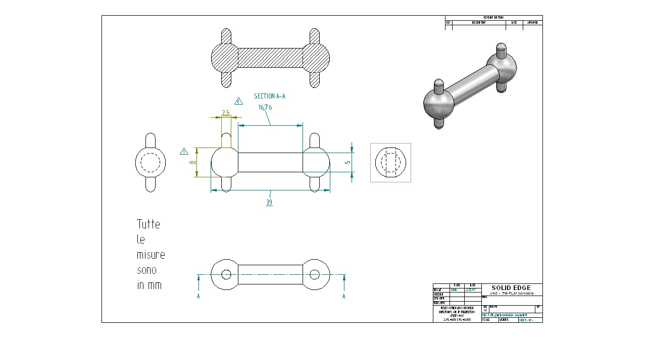
Salve a tutti di nuovo, l'altro giorno sigh (mi scende una lacrima) mi si è spezzato un giunto cardanico della trasmissione della mia vecchiolina Serpent Impact. Ormai qualsiasi pezzo di ricambio è fuori produzione, così mi ha detto la serpent, e dovrei trovare dei giunti cardanici delle stesse dimensioni di altri modelli. Ora io mi sono armato di calibro e in 10 minuti ho preso tutte le misure del giunto e creato il progetto in cad con le misure che trovate qua sotto. Vorrei chiedervi se gentilmente magari vi accorgete che la vostra macchinina magari usa giunti delle stesse dimensioni! aiuto! (magari qualcuno che ha serpent 1/10 da 235mm)

Grazie mille!
Icone allegate
Giunto cardanico: cerco equivalente-giunto-cardanico-serpent.jpg  
execcr non è collegato   Rispondi citando