Visualizza messaggio singolo
Vecchio 07 agosto 09, 15:19   #1 (permalink)  Top
npole
User
 
Data registr.: 03-08-2008
Messaggi: 1.632
[How-To] Filtro antidisturbo (low cut filter)

Salve vi posto un semplicissimo filtro da poter installare sul vostro impianto per eliminare eventuali disturbi video dovuti all'alimentazione condivisa dell'OSD con quella dell'ESC/Motore.
Lo stesso schema e' possibile trovarlo su altri forum, lo posto qui perche' ho potuto verificare personalmente che funziona.

Dove si usa: in tutti i casi in cui l'alimentazione del motore provoca disturbi video durante il suo funzionamento. In particolare le fastidiose "bande orizzontali", che aumentano all'aumentare della potenza applicata al motore. In molti casi questi disturbi non si presentano se si una una alimentazione separata fra motore e impianto FPV, ma in alcuni casi i disturbi "passano" comunque per caratteristiche tecniche dell'OSD (ad esempio il blackstork "condivide" l'alimentazione tramite una serie di diodi se si collegano entrambi gli ingressi per il monitoraggio del voltaggio video e di quello del motore (con relativo amperaggio)).

Prima di applicare questo filtro ho provato diverse soluzioni, nessuna delle quali ha funzionato.

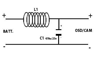
Ecco lo schema:



Spiegazione: L1 e' un avvolgimento attorno ad un toroide di ferrite. Il migliore risultato si ha utilizzando un toroide con avvolgimento gia' applicato (lo potete togliere da un vecchio trasformatore), ma potete crearne uno voi sia con un toroide che con uno di quei filtri da applicare ai cavi gia' fatti (che si chiudono), avvolgendo attorno alla ferrite un filo (il positivo) possibilmente sottile (non preoccupatevi dell'amperaggio, tutto l'impianto FPV consuma certamente meno di 1A). C1 e' un condensatore da 470 microfarad da 25v, e' un componente molto comune, se non volete comprarlo, potete reperirlo praticamente in qualsiasi accessorio elettronico rotto (una vecchia radio, oppure un trasformatorino.. ecc.).
Come vedete lo schema e' molto semplice, dal filo positivo della batteria (puo' essere la batteria, o l'uscita del sensore di voltaggio del blackstork, ecc.) collegate l'avvolgimento con la ferrite, all'uscita dell'avvolgimento collegate il positivo del condensatore e il positivo che andra' all'OSD (oppure direttamente all'alimentazione della trasmittente video o della camera); al negativo collegato il capo negativo del condensatore e il negativo che andra' all'OSD/Trasmittente/Camera. Tutto qui... se i disturbi verranno solo parzialmente ridotti, potete aggiungere un secondo condensatore (sempre da 470uf) prima dell'avvolgimento in ferrite, come in questo schema:



[How-To] Filtro antidisturbo (low cut filter)-filter_1.jpg
[How-To] Filtro antidisturbo (low cut filter)-filter_2.jpg

Ultima modifica di npole : 07 agosto 09 alle ore 15:24
npole non รจ collegato   Rispondi citando