Indirizzo articolo originale:
https://www.baronerosso.it/modellismo_articoli/show/406/centralina-per-comando-per-carrelli-portelli.html

Centralina per comando per carrelli/portelli
Una centralina per comandare il ritardo dell'apertura/chiusura dei carrelli

 Componenti:
 Resistenze (tutte al 5% 1/4 o 1/8 watt)
R1  150K ohm
R2, R8, R9  10K ohm
R3, R4, R10  100K ohm
R5, R6  470K ohm Trimmer
R7, R13  1K ohm
R11  120K ohm
R12  12K ohm
R14  2,7K ohm
R15, R16  220K ohm
R17  6,8K ohm
R18  220 ohm
 Condensatori
C1, C9, C10, C11, C12,  10.000pF Poliestere
C2, C3  10uF 16Volt Elettrolitico
C4, C6, C7  100uF 16Volt Elettrolitico
C5  20uF 16Volt Elettrolitico
C8  100.000 pF Poliestere
C13, C14  10 pF Poliestere
 Diodi
D1-10  1N4148
 Integrati
IC1  CD4001B
IC2  CD40106B
IC3  CD4081B
IC4, IC5  7555 (NE555 in versione cmos)
 Semiconduttori
T1  BC337
 Varie
SW1, SW2  Microswitch

 

Utile per le riproduzioni in quanto consente di evitare l'uso di complessi meccanismi di comando per i portelli, infatti sia i carrelli che i portelli sono comandati da servo e la centralina li commuta con il ritardo (regolabile) necessario, usando come input il solo canale dei carrelli.

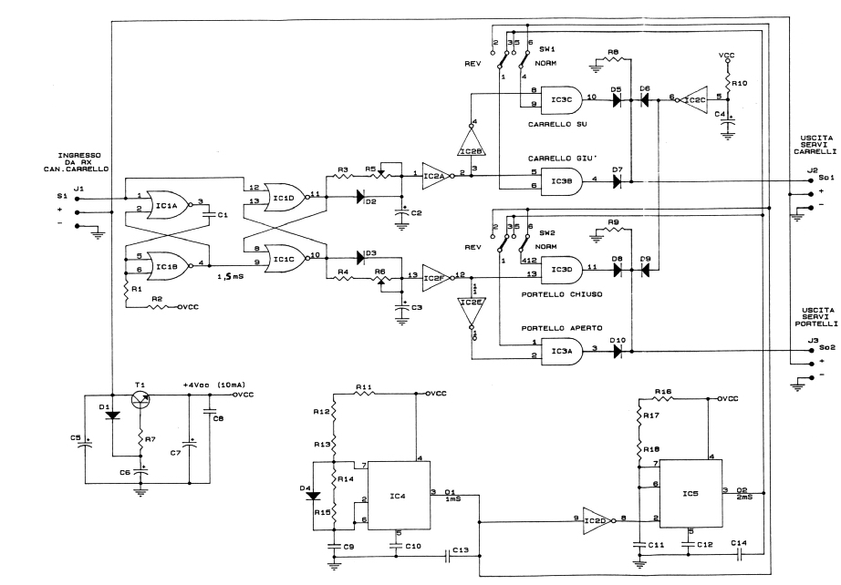
Riferendosi allo schema qui sopra, sul lato sinistro dello schema sono evidenziati i terminali relativi al connettore proveniente dal canale carrelli della ricevente, a destra i terminali di uscita dei connettori diretti uno ai servi carrelli (in alto), l'altro ai servi portelli (in basso).
I simboli Si, So1 ed So2 indicano i terminali relativi al segnale di controllo dei servi, rispettivamente per il connettore d'ingresso (J1) e per i connettori dei servi carrelli (J2) e portelli (J3).
Per la realizzazione del circuito necessitano delle tarature che richiedono l'uso di un oscilloscopio, di un tester e di un potenziometro "volante" da 470 Kohm, nonchè di una certa perizia elettronica.
Se non siete particolarmente esperti o non disponete della strumentazione necessaria o non avete tempo, potete contattarmi agli indirizzi riportati alla fine di questo articolo per avere la scheda già assemblata e tarata. Viceversa, se volete cimentarvi nel montaggio del circuito, dovrete seguire scrupolosamente i passi che seguono riferendosi allo schema.

  1. Assemblate il connettore d'ingresso J1.
    Montate il circuito stabilizzatore composto dal transistor T1, dal diodo D1, dalla resistenza R7 e dai condensatori C5, C6, C7 e C8.
     
  2. Collegate il connettore J1 alla ricevente e alimentate quest'ultima con batterie standard al NiCd da 4,8 Volt.
    Verificate con il tester che la tensione sull'emettitore di T1 corrisponda a circa 4 Volt (questa uscita servira' ad alimentare il pin 14 degli integrati IC1, IC2 e IC3, i pin 4 e 8 degli integrati IC4 e IC5 e la resistenza R10).
     
  3. Spegnete la ricevente. Collegate l'integrato IC1 e il condensatore C1.
    Pretarate il potenziometro da 470 Kohm al valore di 15Kohm e collocarlo provvisoriamente al posto delle resistenze R1 ed R2.
    Una estremità del potenziometro va ai pin 5 e 6 di IC1, il centrale insieme all'altra estremità ai +4 Volt (per il collegamento usare del filo non più lungo di 10 cm).
     
  4. Accendete la ricevente e la trasmittente e verificate con l'oscilloscopio il segnale a onda quadra presente sull'uscita 4 dell'integrato IC1.
    Tale segnale rimane alto per un breve periodo e basso per uno più lungo. Regolate il potenziometro in modo che il periodo di stato alto corrisponda a 1,5 millisecondi.
    Il periodo di stato basso dovrebbe corrispondere a una durata di 18,5 millisecondi, ma non è rilevante una estrema precisione di questa parte del segnale che oltretutto dipende soltanto dai circuiti della ricevente.
     
  5. Spegnete la ricevente. Scollegate il potenziometro e misuratene l'esatto valore della resistenza.
    Scegliete due resistenze che collegate in serie abbiano lo stesso valore resistivo (R1 ed R2) e montatele al posto del potenziometro.
     

  1. Accendete trasmittente e ricevente e verificate i segnali sulle uscite 10 e 11 di IC1: su una ci deve essere un segnale costantemente basso, mentre sull'altra leggerete un segnale a onda quadra quasi sempre alto ad eccezione di un "buco" di circa 1 millisecondo.
    Invertite lo switch carrelli sulla trasmittente: anche i segnali sulle uscite 10 e 11 dovranno invertirsi.
     
  2. Spegnete trasmittente e ricevente.
    Montate l'oscillatore astabile composto dall'integrato IC4, dal diodo D4, dalle resistenze R14 ed R15 e dai condensatori C9, C10, e C13.
    Al posto delle resistenze R11, R12 ed R13 collegate provvisoriamente il potenziometro da 470 Kohm per trovare il corretto valore delle stesse, analogamente a quanto eseguito negli step 4 e 5.
    Pretarate il potenziometro ad un valore di circa 130 Kohm.
     
  3. Accendete trasmittente e ricevente e regolate il potenziometro in modo che il segnale presente sull'uscita 3 di IC4 abbia la durata della parte alta corrispondente a 1 millisecondo.
     
  4. Spegnete trasmittente e ricevente, scollegate il potenziometro e misuratene la resistenza. Scegliete 3 resistenze che collegate in serie diano lo stesso valore del potenziometro tarato e montatele al posto di quest'ultimo.
     
  5. Accendete trasmittente e ricevente e controllate che lo stato basso del segnale all'uscita 3 di IC4 abbia una durata di 19 millisecondi con tolleranza di + o - 5%.
    Eventualmente sostituire la resistenza R15 tenendo presente che per diminuire la durata del periodo occorre parimenti diminuire il valore della resistenza e viceversa.
     
  6. Spegnete trasmittente e ricevente.
    Montate l'integrato IC2 lasciandone per ora scollegate le uscite 4, 6, 8 e 10.
    Collegate, invece, tutti gli altri pin come indicato nello schema, insieme agli altri componenti che sono: i diodi D2 e D3, la resistenza R3, R4, R10, i trimmer R5 ed R6 ed infine i condensatori elettrolitici C2, C3 e C4.
     
  7. Accendete trasmittente e ricevente e controllate i segnali presenti sulle uscite 4 e 10 di IC2.
    Tali uscite saranno subito alte e una delle due dovrà porsi allo stato basso in un tempo che può andare da 1 secondo a 5 secondi circa.
    Invertendo la posizione dello switch carrelli sulla trasmittente le uscite 4 e 10 dovranno invertirsi. Andranno subito entrambe alte e l'uscita che prima era rimasta sempre alta dopo pochi secondi commuterà a zero.
     
  8. Verificare l'inversione di segnale tra l'ingresso 9 e l'uscita 8 di IC2.
    Sempre su IC2 verificate l'uscita 6 nel seguente modo: scaricate il condensatore C4 cortocircuitandolo per un istante e verificate che il segnale in uscita rimanga alto per circa 5 secondi trascorsi i quali dovrà commutare a zero.
     
  9. Spegnete trasmittente e ricevente. Montate l'oscillatore monostabile composto dall'integrato IC5, dai condensatori C11, C12 e C14.
    Montate il solito potenziometro provvisorio da 470 Kohm al posto delle resistenze R16, R17 ed R18.
    Pretarate il potenziometro ad un valore di circa 230 Kohm.
     
  10. Accendete trasmittente e ricevente e regolate il potenziometro in modo che sull'uscita 3 di IC5 sia presente un segnale a onda quadra con una durata del periodo alto pari a 2 millisecondi.
     
  11. Spegnete trasmittente e ricevente e completate l'intero circuito montando l'integrato IC3, i diodi da D5 a D10, le resistenze R8 ed R9, gli switch SW1 e SW2 ed infine i connettori di uscita J2 e J3.
     
  12. Verificare le uscite J2 e J3.
    Accendete trasmittente e ricevente e controllate i segnali sui terminali So1 ed So2. All'accensione tali uscite devono rimanere alte (reset iniziale), ma dopo circa 5 secondi dovranno comparire i segnali a onda quadra di pilotaggio dei servi, entrambi uguali.
    Se ora invertite la posizione dello switch carrelli sulla trasmittente vedrete che un'uscita commuterà immediatamente su un'altra onda quadra (se prima c'era il segnale a 1 millisecondo ora andrà sul quello a 2 millisecondi e viceversa), mentre l'altra uscita rimmarrà per qualche istante sullo stesso segnale dopo di che commuterà anch'essa.
    Riportando lo switch carrelli sulla trasmittente nella posizione originaria l'uscita che prima aveva commutato con ritardo ora commuta immediatamente, mentre sull'altra uscita tale commutazione viene ritardata.
A questo punto, se avete eseguito correttamente i passi illustrati potete collegare i servi ed effettuare delle prove.
Per regolare il tempo di ritardo tra servi carreli e servi portelli occorre agire sui trimmer R5 ed R6 tenendo presente che diminuendo il valore resistivo diminuisce anche il tempo di ritardo e viceversa.
Gli switch SW1 e SW2 consentono l'inversione della corsa dei servi.

Saluti e buon divertimento

Antonini Flavio
 
File:
Schema Elettrico


Nota Importante:
L'autore non si assume nessuna responsabilità per eventuali danni, diretti o indiretti, che dovessero verificarsi come conseguenza dell'utilizzo del presente circuito.




Indirizzo articolo originale:
https://www.baronerosso.it/modellismo_articoli/show/406/centralina-per-comando-per-carrelli-portelli.html